Product Summary
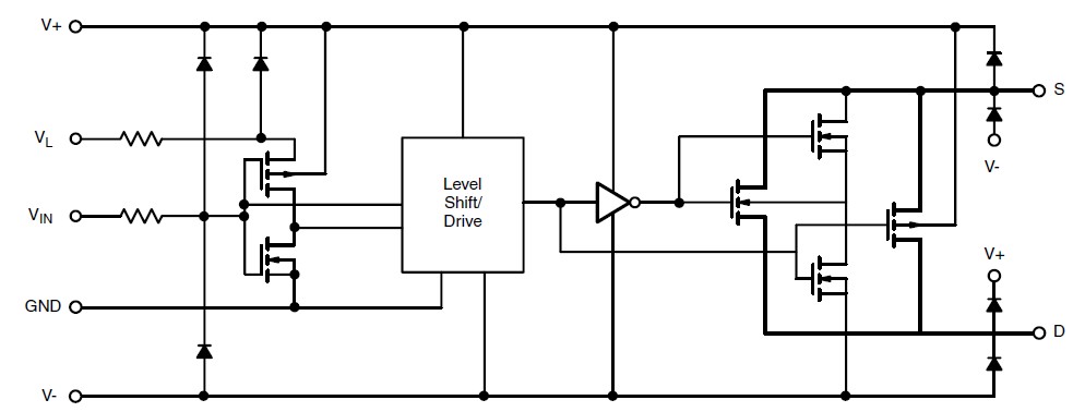
The DG419DY-E3 is a monolithic CMOS analog switch. It is designed to provide high performance switching of analog signals. Combining low power, low leakages, high speed, low on-resistance and small physical size, the DG419DY-E3 is ideally suited for portable and battery powered industrial and military applications requiring high performance and efficient use of board space. The applications of the DG419DY-E3 include: Precision Test Equipment, Precision Instrumentation, Battery Powered Systems, Sample-and-Hold Circuits, Military Radios, Guidance and Control Systems, Hard Disk Drives.
Parametrics
DG419DY-E3 absolute maximum ratings: (1)Voltages Referenced V+ to V-: 44V; (2)GND: 25V; (3)VL: (GND - 0.3) to (V+) + 0.3 V; (4)Digital Inputs, VS, VD: (V-) - 2 to (V+) + 2 or 30 mA, whichever occurs first; (5)Current , (Any Terminal) Continuous: 30mA; (6)Current, S or D (Pulsed at 1 ms, 10 % duty cycle): 100mA; (7)Storage Temperature(AK Suffix): 65 to 150℃; (DJ, DY Suffix): - 65 to 125℃; (8)Power Dissipation (Package) 8-Pin Plastic MiniDIP: 400mW; 8-Pin Narrow SOICd: 400 mW; 8-Pin CerDIPe: 600mW.
Features
DG419DY-E3 features: (1)±15 V Analog Signal Range; (2)On-Resistance - rDS(on): 20Ω; (3)Fast Switching Action - tON: 100 ns; (4)Ultra Low Power Requirements - PD: 35 nW; (5)TTL and CMOS Compatible; (6)MiniDIP and SOIC Packaging; (7)44 V Supply Max Rating.
Diagrams

| Image | Part No | Mfg | Description | ![]() |
Pricing (USD) |
Quantity | ||||||||||||
|---|---|---|---|---|---|---|---|---|---|---|---|---|---|---|---|---|---|---|
![]() |
![]() DG419DY-E3 |
![]() Vishay/Siliconix |
![]() Analog Switch ICs SPDT Analog Switch |
![]() Data Sheet |
![]()
|
|
||||||||||||
| Image | Part No | Mfg | Description | ![]() |
Pricing (USD) |
Quantity | ||||||||||||
![]() |
![]() DG411 |
![]() Other |
![]() |
![]() Data Sheet |
![]() Negotiable |
|
||||||||||||
![]() |
![]() DG411/883 |
![]() Other |
![]() |
![]() Data Sheet |
![]() Negotiable |
|
||||||||||||
![]() |
![]() DG411AK |
![]() Maxim Integrated Products |
![]() Analog Switch ICs |
![]() Data Sheet |
![]() Negotiable |
|
||||||||||||
![]() |
![]() DG411AK/883B |
![]() Maxim Integrated Products |
![]() Analog Switch ICs Quad SPST Normally Closed |
![]() Data Sheet |
![]()
|
|
||||||||||||
![]() |
![]() DG411AZ/883B |
![]() Maxim Integrated Products |
![]() Analog Switch ICs |
![]() Data Sheet |
![]() Negotiable |
|
||||||||||||
![]() |
![]() DG411C/D |
![]() Maxim Integrated Products |
![]() Analog Switch ICs |
![]() Data Sheet |
![]() Negotiable |
|
||||||||||||
(Hong Kong)










