Product Summary
The NTC-T106M35TRDF is a tantalum chip capacitor.
Parametrics
NTC-T106M35TRDF absolute maximum ratings: (1)capacitance: 15μF; (2)voltage: 2.5Vdc; (3)dissipation factor: 8%; (4)leakage current: 0.5μA; (5)ripple current rating: 118mA.
Features
NTC-T106M35TRDF features: (1)molded construction for high soldering heat resistance; (2)seven case sizes; (3)both flow and reflow soldering applicable; (4)tape&reel packaging compatible with automatic pick&place equipment.
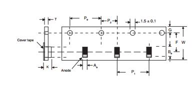
Diagrams

![]() |
![]() NTC-04-0002 |
![]() |
![]() GU 7000 SERIES POWER CABLE |
![]() Data Sheet |
![]() Negotiable |
|
||||||||||
![]() |
![]() NTC-L |
![]() Other |
![]() |
![]() Data Sheet |
![]() Negotiable |
|
||||||||||
![]() |
![]() NTC-T |
![]() Other |
![]() |
![]() Data Sheet |
![]() Negotiable |
|
||||||||||
![]() |
![]() NTC-04-0001 |
![]() Noritake |
![]() Cables (Cable Assemblies) RS232 SIGNAL CABLE GU3100 & 3900 SERIES |
![]() Data Sheet |
![]()
|
|
||||||||||
(Hong Kong)









