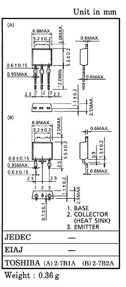
Product Summary
The 2SA1241 is a silicon PNP epitaxial type TOSHIBA transistor.
Parametrics
2SA1241 absolute maximum ratings: (1)collector-base voltage VCBO: -60 V; (2)collector-emitter voltage VCEO: -50 V; (3)emitter-base voltage VEBO: -5 V; (4)collector current IC: -5 A; (5)base current IB: -1 A; (6)collector power dissipation PC: 1.0 W; (7)junction temperature Tj: 150 ℃; (8)storage temperature range Tstg: -55 to 150 ℃.
Features
2SA1241 features: (1)low collextor saturation voltage: VCE(sat)=-0.4 V max at IC=-3 A; (2)high speed switching time: tstg=1.0 μs typ; (3)complementary to 2SC3074.
Diagrams

![]() |
![]() 2SA1006 |
![]() Other |
![]() |
![]() Data Sheet |
![]() Negotiable |
|
||||
![]() |
![]() 2SA1006A |
![]() Other |
![]() |
![]() Data Sheet |
![]() Negotiable |
|
||||
![]() |
![]() 2SA1006B |
![]() Other |
![]() |
![]() Data Sheet |
![]() Negotiable |
|
||||
![]() |
![]() 2SA1008 |
![]() Other |
![]() |
![]() Data Sheet |
![]() Negotiable |
|
||||
![]() |
![]() 2SA1009 |
![]() Other |
![]() |
![]() Data Sheet |
![]() Negotiable |
|
||||
![]() |
![]() 2SA1009A |
![]() Other |
![]() |
![]() Data Sheet |
![]() Negotiable |
|
||||
(Hong Kong)








