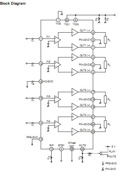
Product Summary
The TB2929HQ is a 4-ch BTL audio amplifier for car audio applications. This IC TB2929HQ can generate higher power: POUT MAX = 47 W as it includes the pure complementary P-ch and N-ch DMOS output stage. THe TB2929HQ is designed to yield low distortion ratio for 4-ch BTL audio power amplifier, built-in standby function, muting function, and various kinds of protectors. Additionally, Off-set detector is built in.
Parametrics
TB2929HQ absolute maximum ratings: (1)Peak supply voltage (0.2 s), VCC (surge): 50 V; (2)DC supply voltage, VCC (DC): 25 V; (3)Operation supply voltage, VCC (opr): 18 V; (4)Output current (peak), IO (peak): 9 A; (5)Power dissipation, PD: 125 W; (6)Operation temperature, Topr: -40 to 85℃; (7)Storage temperature, Tstg: -55 to 150℃.
Features
TB2929HQ features: (1)High power output; (2)Low distortion ratio: THD = 0.015% (typ.); (3)Low noise: VNO = 90 μVrms (typ.) (VCC = 13.2 V, Rg = 0 Ω, BW = 20 Hz~20 kHz, RL = 4 Ω); (4)Built-in standby switch function (pin 4); (5)Built-in muting function (pin 22); (6)Built-in Off-set detection function (pin 25); (7)Built-in various protection circuits: Thermal shut down, overvoltage, out to GND, out to VCC, out to out short ; (8) Operating supply voltage: VCC (opr) = 9~18 V (RL = 4 Ω) .
Diagrams

| Image | Part No | Mfg | Description | ![]() |
Pricing (USD) |
Quantity | ||||
|---|---|---|---|---|---|---|---|---|---|---|
![]() |
![]() TB2929HQ |
![]() Other |
![]() |
![]() Data Sheet |
![]() Negotiable |
|
||||
![]() |
![]() TB2929HQ(O) |
![]() Toshiba |
![]() Audio Amplifiers 45W x 4-CH class-AB car power amplifer |
![]() Data Sheet |
![]() Negotiable |
|
||||
(Hong Kong)










