Product Summary
The LC4032V-75TN44-10I is a In-System Programmable SuperFAST High Density PLD.
Parametrics
LC4032V-75TN44-10I absolute maximum ratings: (1)Supply Voltage (VCC): -0.5V to 5.5V; (2)Output Supply Voltage (VCCO): -0.5V to 4.5V; (3)Input or I/O Tristate Voltage Applied4, 5: -0.5V to 5.5V; (4)Storage Temperature:-65℃ to 150℃; (5)Junction Temperature with Power Applied:-55℃ to 150℃.
Features
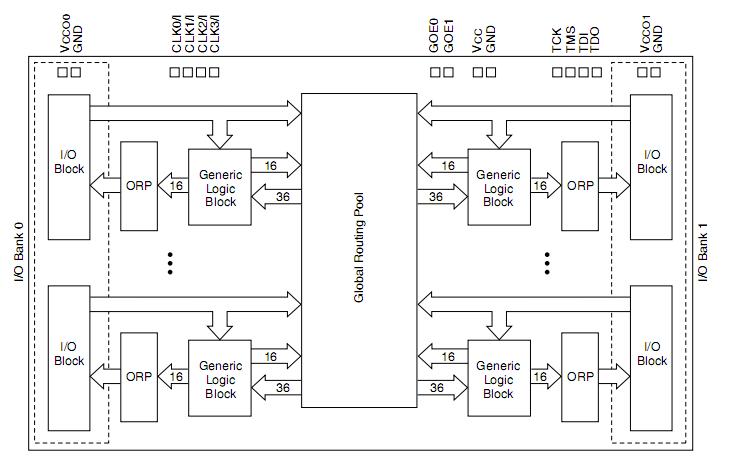
LC4032V-75TN44-10I features: (1)fMAX = 400MHz maximum operating frequency; (2)tPD = 2.5ns propagation delay; (3)Up to four global clock pins with programmable clock polarity control; (4)Up to 80 PTs per output; (5)Up to four global OE controls; (6)Individual local OE control per I/O pin; (7)Excellent First-Time-Fit TM and refit; (8)Fast path, SpeedLockingTM Path, and wide-PT path; (9)5V tolerant I/O for LVCMOS 3.3, LVTTL, and PCI interfaces; (10)Hot-socketing; (11)Open-drain capability; (12)Input pull-up, pull-down or bus-keeper; (13)Programmable output slew rate; (14)3.3V PCI compatible; (15)IEEE 1149.1 boundary scan testable; (16)3.3V/2.5V/1.8V In-System Programmable.
Diagrams

![]() |
![]() LC401 |
![]() Other |
![]() |
![]() Data Sheet |
![]() Negotiable |
|
||||||||||
![]() |
![]() LC4021 |
![]() Other |
![]() |
![]() Data Sheet |
![]() Negotiable |
|
||||||||||
![]() |
![]() LC4032B-10T44I |
![]() Lattice |
![]() CPLD - Complex Programmable Logic Devices PROGRAMMABLE SUPER FAST HI DENSITY PLD |
![]() Data Sheet |
![]()
|
|
||||||||||
![]() |
![]() LC4032B-10T48I |
![]() Lattice |
![]() CPLD - Complex Programmable Logic Devices PROGRAMMABLE SUPER FAST HI DENSITY PLD |
![]() Data Sheet |
![]()
|
|
||||||||||
![]() |
![]() LC4032B-10TN44I |
![]() Lattice |
![]() CPLD - Complex Programmable Logic Devices PROGRAMMABLE SUPER FAST HI DENSITY PLD |
![]() Data Sheet |
![]()
|
|
||||||||||
![]() |
![]() LC4032B-10TN48I |
![]() Lattice |
![]() CPLD - Complex Programmable Logic Devices PROGRAMMABLE SUPER FAST HI DENSITY PLD |
![]() Data Sheet |
![]()
|
|
||||||||||
(Hong Kong)









